ステンレスフィックス(前締めタイプ) [OT-G490-SUS]
商品詳細
施工がスムーズ!
耐蝕性、耐熱性に優れたステンレス製のガラス固定金具です。
《特長》
・ガラス板を保持するための固定金具です。
・ステンレス製で、耐蝕性、耐熱性に優れています。
・ガラスの吊り込み時、ガラスをシャフトに仮掛けができスムーズに作業できます。
・前面から締め込むことができます。
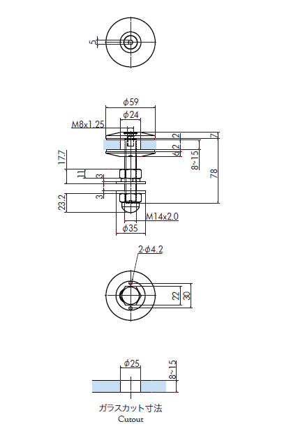
・対応ガラス厚:8〜15mm
※ガラス厚をご指定下さい。
・許容荷重:120kg(4個使用・垂直取付け時)
《ご注意》
※受注生産品です、発注数量は50個からお問い合わせください。
《操作》
・ガラス厚に合わせ、スペーサーを削ってご使用下さい。
《補足》
・締込工具は、ピッチ調整用を使用します、
必要な場合は別途お問い合わせ下さい。
・六角レンチは#5をご使用下さい。
・OT-G120-SUS、 OT-G140-SUS、 OT-G440 等と組み合わせてご使用下さい。
《寸法図》




Facebookコメント